无脉流柱塞泵NP-FX

低价格、小型设计的大流量泵
可通过模拟控制外部流量
最大喷出压力:60MPa
最大流量:400ml/min。



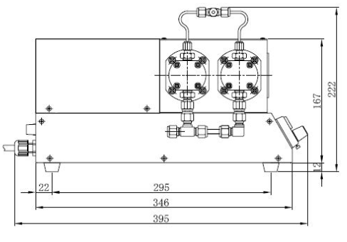
小型设计
是大流量无脉流泵,不过是小的身体。
与本公司同流量原稿产品相比,体积约为60%。
优良的定量性和对药品性
没有由于吐出压力引起的流量变动。可以长时间连续运行。还可以输送流体的有机溶剂、水溶液、酸碱的液体。
简单操作
开车很简单。在运行中也可以简单地更改流量。
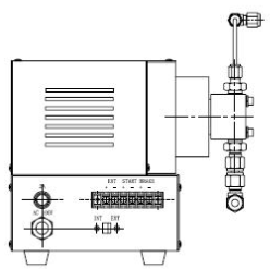
外部输入运行
标准装备有外部信号(DC 0~5V)的流量设定、启动/停止、平板信号。
低价
价格很低。除此之外,还推荐用于各种化学实验、实验实验实验、实验设备等。