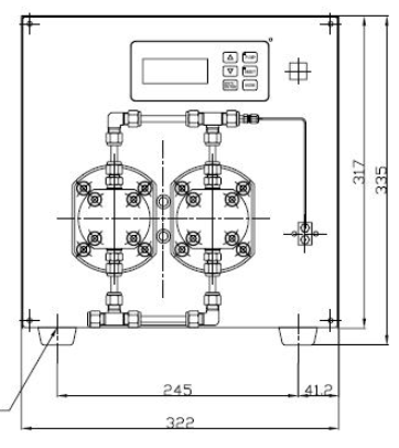
大流量高压柱塞泵NP-GXL型

内置压力传感器的大流量无脉流柱塞泵。
在液晶显示中,设定流量、压力、上下限压力等一目了然。
操作简单。
可通过RS 232 C及DC 1~5V进行外部控制。
超临界,可以广泛使用驾驶员设备等。
最大喷出压力:50MPa
最大流量:1000ml/min。


特点:
大流量
最多可进行1000ml/min.的大流量输送液。
内置压力传感器(可设定上下限)
高压送液。
最大50MPa的高压下的定量输送液。
长时间输送液
1000小时以上的连续运行
简单操作
流量的设定、变更在运行中也可以
紧凑的设计
通过可选择的外部输入运行
RS 232 C、DC 1~5V
多用途
超临界实验、成套设备、催化反应等实验最适合。